|  
       Zusatzinformationen 
        (z.B. Lieferantenhinweise) siehe am Schluss dieses Artikels. 
      Projekt 
        Auf einer Hallenfläche von 56 x 34 m werden 10 Zwirnmaschinen 
        (Barmag) und 2 Zettelmaschinen (Benninger-Schärmaschinen) für 
        die Produktion von hochwertigem Industriegarn platziert. Die Maschinen 
        verursachen eine hohe Abwärme. Der Produktionsbereich wurde in eine 
        alte Lagerhalle integriert, so dass sich sehr grosse Raumhöhen (ca. 
        9.10m ) und ein grosses Volumen ergeben (ca. 17'300 m3). Der Raum muss 
        aus produktionstechnischen Gründen klimatisiert werden, damit die 
        geforderten Temperatur- und Feuchtigkeitsbedingungen eingehalten werden. 
        
        
      Auftrag an das Ingenieurbüro Dolder 
        Ingenieurarbeiten und Planung für die Klimatisierung des Produktionsraumes 
        inkl. Regulierung und Steuerung sowie den notwendigen Ver- und Entsorgungleitungen. 
        Bestehende Installationen sollen in das Konzept integriert werden. 
        
      Lösung 
        Lüftungskonzept: 
        Die Temperatur- und Feuchtewerte werden beim Produkt (beim Faden) benötigt. 
        Die relative Feuchtigkeit ist direkt abhängig von der Temperatur. 
        Dieser Umstand wurde für das Lüftungskonzept benutzt, in dem 
        die Luft als Verdrängungsströmung beim Produkt in den Raum eingebracht 
        wird.  
      
         
            | 
          Lufteinführung 
            beim Produkt mit einer turbulenzarmen Verdrängungs-Strömung 
            mittels Textilauslässen. | 
         
       
        
        
      
         
          Im Bereich der 
            Produkte sinkt die kühle Luft in Folge der Thermik sanft in Richtung 
            Boden und umströmt so den Faden und die Fadenspulen.  
            Ausserhalb des direkten Produktionsbereiches und im oberen Teil der 
            Halle darf die Luft wärmer sein. Durch das Fassen der Abluft 
            an der höchsten Stelle wird die natürliche Auftriebsströmung 
            unterstützt.  
            Bei dieser Art der Luftführung kann eine maximale Temperaturdifferenz 
            der Luft ausgenützt werden, was dazu führt, dass die Luftmenge 
            geringer gewählt werden kann. Der Effekt der Luftmengenreduktion 
            wird zudem noch mit einer speziellen Abluft- Zuluftregulierung vergrössert 
            (siehe Regulierung unten). | 
             
            Lufteinführung beim Produkt, Abluftfassung 
            ganz oben an der Hallendecke. | 
         
       
        
      Luftaufbereitung: 
        Für die Luftaufbereitung wurden teilweise bestehende Elemente 
        übernommen. Auf Grund der hohen Luftmenge sind die Elemente in gemauerten 
        Kammern eingebaut.  
      
         
            | 
          Luftkammern 
            gemauert, für die Instandhaltung und Zugänglichkeit sind 
            luftdichte Türen eingebaut. | 
         
       
      Die Luftaufbereitung besteht aus folgenden Elementen: 
      
        - Aussenluft-, Umluft-, Fortluftklappen
 
        - Grobstaubfilter und Feinfilter
 
        - Zuluft- und Abluftventilatoren
 
        - Lufterhitzer
 
        - Schalldämpfer
 
        - Luftwäscher als Kühlwäscher (für Befeuchtung, 
          Entfeuchtung und Kühlung)
 
       
        
      
         
            
            Luftwäscher mit den Funktionen Befeuchten, Entfeuchten, 
            Kühlen.  | 
            | 
             
            Zuluftventilator mit Gleichrichter. 
           | 
         
       
      Bei den Aussenluft- und Fortluftöffnungen mussten 
        Schallwerte eingehalten werden (Nachbarschaft). 
        
      Regulierung: 
        Die Aussenluft- und Fortluftklappen sind nach Enthalpie reguliert. 
        Somit wird der Energieinhalt der Luftströme optimal auf den momentanen 
        Bedarf abgestimmt und es ist auch ein Free-Coolling-Betrieb (Kühlen 
        mit Aussenluft) 
        möglich. 
      Die Feuchte- und Temperaturwerte werden durch den Kühlwäscher 
        beeinflusst. Durch die Verwendung von Grundwasser aus eigenen Brunnen 
        konnte auf eine mechanische Kälteanlage (Kältemaschine) 
        verzichtet werden. Geheizt wird in den meisten Fällen mit der Abwärme 
        der Zwirn- und Zettelmaschinen. Entsprechend gering fallen die Energiekosten 
        aus. 
      
         
            | 
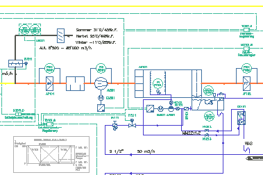
          Ausschnitt aus 
            dem Prinzipschema. Mit eingezeichneten Wirklinien, Komponenten-Bezeichnungen 
            (Messstellen-Bezeichnung), physikalichen Funktions-Bezeichnung und 
            Regeldiagrammen. | 
         
       
      Die Luftmenge ist je nach Last variabel, Zuluft- und 
        Abluftventilatoren sind drehzahlreguliert. Ebenfalls die Luftwäscherpumpe. 
        Diese Einsparungen der Antriebsenenergie reduzieren die Betriebskosten. 
      Sicherheitsfunktionen wie Anlagen-Zwangsabschaltungen 
        bei Brand Frostschutzschaltungen, Trockenlaufschutz der Luftwäscherpumpe, 
        Niveauüberwachung Luftwäscherwanne sind in die Regulierung integriert. 
        
       Nutzen für den Kunden, Ergebnisse 
      
        -  
          
Durch das Ausnützen der natürlichen Thermik 
            konnte die Luftmenge stark reduziert werden. 
         
        -  
          
Die Luftmenge konnte durch eine spezielle Abluft- 
            Zuluftregulierung und drehzahlgeregelten Ventilatoren in gewissen 
            Betriebszuständen noch weiter verringert werden. 
         
        -  
          
Eine durchdachte Regulierung mit Enthalpie-Umschaltung 
            ergibt eine energieoptimale Betriebsweise mit Aussenluftkühlung 
            und Beheizung mit Maschinenabwärme. 
         
        -  
          
Durch die Verwendung von Grundwasser aus eigenen 
            Brunnen war eine mechanische  Kälteanlage 
            nicht notwendig. Entspreched gering fallen die Betriebskosten aus.  
         
       
        
        
      Weitere Projekte des Ingenieurbüro 
        Dolder siehe Referenzliste. 
        
        
        
      Weitere Informationen 
      
         
          | -> | 
          Fachausdrücke können Sie im Lexikon 
              nachschlagen.  | 
         
         
          | -> | 
          Hinweise zu Lieferanten in der Energie- und Gebäudetechnik 
              erhalten Sie im Lieferantenverzeichnis. 
              (z.B. Lieferanten von Ventilatoren und Pumpen)  | 
         
         
          | -> | 
          Links zu vielen Themen der Energie- und Gebäudetechnik (z.B. 
            zum Thema Wärmepumpen) siehe Links. | 
         
         
          | -> | 
          Planung von Lüftungs- und Klimaanlagen siehe Planung. | 
         
       
        
      
        
      Dieser Artikel über das Projekt 
        "Klimatisierung Produktionsraum Textilindustrie" ist eine Information 
        über die Tätigkeit des Ingenieurbüro 
        Dolder. 
      Das Ingenieurbüro 
        Dolder bietet im Bereich der Energie- und Gebäudetechnik folgende 
        Dienstleistungen an: Gesamtkonzepte, Gebäudetechnik-, HLK-, 
        TGA-, HVAC- 
        und Energieanlagenplanungen, Gebäudeautomation, Analysen, Messungen, 
        Expertisen, Anlagenoptimierungen und Energieoptimierungen, Dokumentationen, 
        Informations- und Wissensmanagement, Entwicklungen, Schulungen. 
       Weitere Informationen zum Ingenieurbüro 
        Dolder siehe Unternehmen, 
        Dienstleistungen und Projekte. 
        
      Stichworte zu diesem Artikel: 
        Raumklimatisierung Produktionsraum Textilindustrie, Planung, Halle, Versorgungsleitungen, 
        Entsorgungsleitungen, Klimaanlage, Lüftung, Klimatisierung, Lüftungskonzept, 
        Temperaturwerte, Feuchtewerte, relative Feuchtigkeit für Faden, Verdrängungsströmung, 
        Lufteinführung, turbulenzarme Verdrängungs-Strömung, Textilauslässe, 
        Thermik, natürliche Auftriebsströmung, Luftführung, variable 
        Luftmenge, Luftmengenreduktion, Regulierung, Abluft- Zuluftregulierung, 
        Luftaufbereitung, gemauerte Kammern, gemauerte Luftkammern, Zuluft, Abluft, 
        Zuluftventilatoren, Abluftventilatoren, Luftwäscher als Kühlwäscher 
        (für Befeuchtung, Entfeuchtung und Kühlung), Befeuchten, Entfeuchten, 
        Kühlen, Enthalpieregulierung, Enthalpie-Umschaltung, Free-Coolling-Betrieb 
        (Kühlen mit Aussenluft), Grundwasserkühlung, Abwärmenutzung 
        von Maschinen, geringe Energiekosten, Prinzipschema, Wirklinien, Regeldiagramme, 
        drehzahlregulierte Ventilatoren, Drehzahlregulierung, Luftwäscherpumpe, 
        Einsparung, Einsparungen Antriebsenenergie, Reduktion Betriebskosten, 
        Ausnützen der natürlichen Thermik, Aussenluftkühlung, Beheizung 
        mit Maschinenabwärme,  
      
         
       |